Leírás és Paraméterek
ZOBAL UKW-5 fogó profil (Fekete)
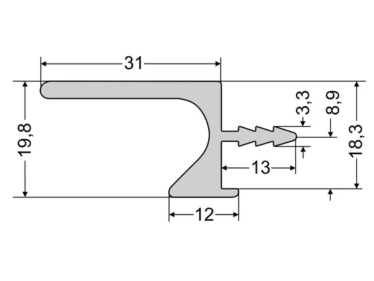
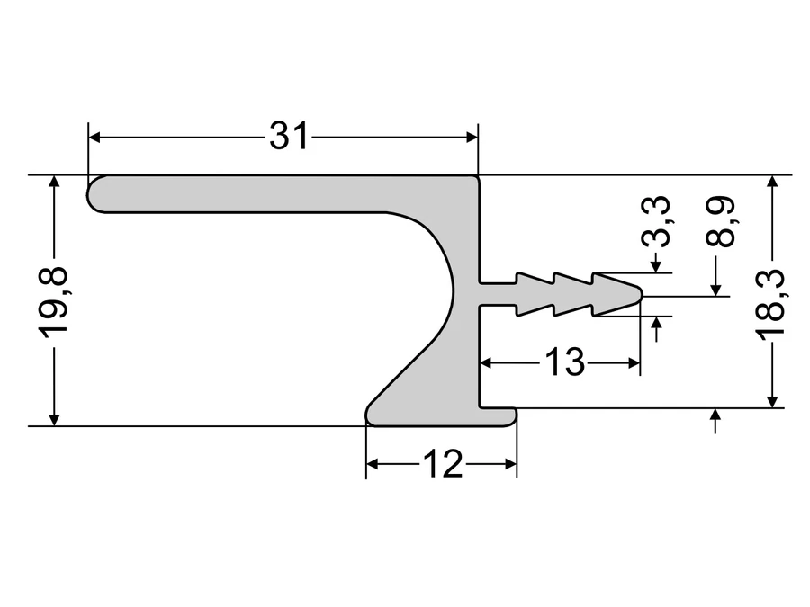
A ZOBAL UKW fogó rendszerrel egy modern, a bútorfronton vízszintesen végigfutó design alakítható ki. Az alumínium fogó a bútorfront síkjába kerül, így nincsenek kiálló elemek. Az UKW-5 fogó profil alsószekrény ajtók felső élére való. (pl. konyhai pultnál, a munkalap alatt) A profil magas hátoldala optimális helyet kinál az ujjaknak a nyitásnál. Ez a fogó egy elegáns megjelenést ad a bútornak, emellett kényelmes és jó fogást biztosít az ajtón. A fekete felület egy határozott megjelenést kölcsönöz a bútornak.
Amennyiben UKW-6 profil van az ajtókon közepén végigfuttatva, és szükséges osztás, az alsó ajtóra UKW-5, a felső ajtóra UKW-4 profilt szerelve a megjelenés egységes marad.
Szerelésnél a bordázott részt egy 13 * 3,3 mm-es nútba kell illeszteni, és ragasztóval (pl. szilikon) rögzíteni. A bordázott részt az egyes ajtók végeinél vissza kell csapolni, hogy ne fusson ki az oldalélre. A nútolást tehát nem kell végigengedni az ajtó teljes élén, kb. 5 cm-t kell elhagyni a végen.
| Gyártó | ZOBAL | 
| Származási hely | Lengyelország | 
| Anyag | Alumínium | 
| Felület | Eloxált (nem korrodál, tartósan szép felület) | 
| Szín | Matt fekete | 
| Nút méret | 13 * 3,3 mm | 
| Szálhossz | 3,5 m (valós hosszméret 3,6 m) | 
 
                     
                     
                     
                     
                     
                     
                    